摘要:在電力變壓器的交接試驗中,標準要求對變壓器進行交流耐壓試驗,現場試驗人員常會遇到使用便攜式試驗變壓器的輸出電流不夠,而采用大容量的試驗變壓器又有設備笨重、攜帶不便等問題,因此,便攜式試驗變壓器對大容量變壓器進行交流耐壓試驗,用高壓電抗器作并聯補償的應用探討很有必要。
1引言
在電力變壓器的交接試驗中,標準要求對變壓器進行交流耐壓試驗,現場試驗人員常會遇到使用便攜式試驗變壓器的輸出電流不夠,而采用大容量的試驗變壓器又有設備笨重、攜帶不便等問題;采用成套的變頻串聯諧振裝置,由于相關標準對變壓器外施耐壓試驗電壓的頻率要求較高,(應不低于80%額定頻率,最好在45~55Hz之間),變頻裝置的諧振頻率不容易滿足標準要求。因此,便攜式試驗變壓器對大容量變壓器進行交流耐壓試驗,用高壓電抗器作并聯補償的應用探討很有必要。
2原理柴油發電機組
試驗變壓器配電抗器作并聯補償進行外施交流耐壓試驗的原理接線如圖1。

TY—調壓器:T—試驗變壓器:R—限流電阻:r—球隙保護電阻:G—球間隙:
L—補償電抗器:CX—被試品電容: C1、C2—電容分壓器高、低壓臂:PV—電壓表
圖1 試驗變壓器配電抗器作并聯補償進行外施交流耐壓試驗的原理接線圖
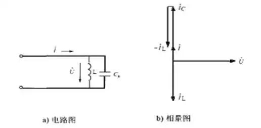
用高壓電抗器并聯補償作外施交流耐壓試驗的電路圖和相量圖如圖2。

CX—被試品電容:L—補償電抗器: R—限流電阻:
U—電源電壓:IC—試品電容電流:IL—電抗器電感電流:I—補償后的總電流
圖2 用高壓電抗器補償作外施交流耐壓試驗的電路圖和相量圖
3應用
現場對電力變壓器的外施交流耐壓試驗,為攜帶方便常用的試驗變多為10kV/100kV,其高壓側電壓為100kV,容量為10kVA,高壓繞組額定電流0.1A。
該類規格的試驗變壓器及控制系統設備輕巧、搬運方便,對35kV及以下的小電容量變壓器試驗,非常實用,但對容量較大的35kV變壓器或110kV等級變壓器的耐壓試驗,雖然電壓能滿足要求,而電流往往不能滿足需要。
在高壓側用高壓電抗器對容性電流作補償,就能做到既方便又實用,可以方便地解決這一難題。
以下是常見電力變壓器在交流耐壓試驗時的電容量參考值及相關標準對變壓器交流耐壓試驗的試驗電壓值。
常見電力變壓器的電容量參考值如表1。

常見變壓器交流耐壓的試驗電壓值見表2。

注:試驗電壓值依據GB 50150-2016《電氣裝置安裝工程電氣設備交接試驗標準》附錄D。
采用補償電抗器的技術參數為:7.6kVAr,38kV,0.2A,電感量為605 H。數量2臺,試驗電壓高于38kV時采用2臺電抗器串聯組合。
以表1電力變壓器交流耐壓時的參考電容量和表2的試驗電壓值為依據,電抗器的組合方式及對應的試驗電壓、電感量、補償電流見表3。

說明:表中允許試品最大電容量含分壓器電容。
以下用1套便攜式10kV/100kV試驗變壓器,對表1中序號1的110kV變壓器做交流耐壓為例,對高壓電抗器并聯補償前后的電流變化進行驗證。
例:表1中序號1的110kV的變壓器做外施交流耐壓試驗,該變壓器容量為50000kVA,三側額定電壓為110kV/35kV/10kV,三側電容量分別為11000pF /12000pF /15000pF,按交接試驗標準,試驗電壓分別為76kV/68kV/28kV,采用便攜式10kV/100kV試驗變壓器,配100kV(電容量1000pF)分壓器作高壓測量,試驗變壓器的額定電流0.1A,現對高壓電抗器補償前后的電流作如下計算分析:
高壓電抗器補償前在試驗電壓下試品(含分壓器電容)的電容電流:
110kV側:IC=ωCU=2×3.14×50×(11000+1000)×10-12×76000=0.286(A)
35kV側:IC=ωCU=2×3.14×50×(12000+1000)×10-12×68000=0.278(A)
10kV側:IC=ωCU=2×3.14×50×(15000+1000)×10-12×28000=0.141(A)
從以上計算結果可看出:耐壓時三側繞組的電容電流均超出試驗變壓器的額定電流0.1A,試驗無法進行。
試驗電壓下高壓電抗器補償的電感電流:
110kV側:電抗器76kV(2只串聯):IL= U/ωL=76000/(2×3.14×50×1210)=0.200(A)
35kV側:電抗器68kV(2只串聯):IL= U/ωL=68000/(2×3.14×50×1210)=0.179(A)
10kV側:電抗器28kV:IL= U/ωL=28000/(2×3.14×50×605)=0.147(A)
高壓電抗器補償后,試驗變壓器高壓側應輸出的電流為:
110kV側:I=IC-IL=0.286-0.200=0.086(A)
35kV側:I=IC-IL=0.278-0.179=0.099(A)
10kV側: I=IC-IL=0.141-0.147=-0.006(A)
經高壓電抗器補償后,三側繞組試驗時的電流均小于試驗變壓器的額定電流0.1A,試驗能正常進行。
同理,可用上述方法對表1所列的常見變壓器交流耐壓試驗時,電抗器并聯補償前后的電流計算分析,結果見表4:

注:計算補償前電流值應加上分壓器的1000pF電容量。
從表4中可以看出:對表1所列的常見變壓器交流耐壓試驗時,補償前電流除序號9、序號10較小容量的變壓器外,全都超出試驗變壓器0.1A的額定電流,但經電抗器并聯補償后,所需電流值都降到了0.1A以下,都用能便攜式10kV/100kV小容量試驗變壓器完成上述常見變壓器的交流耐壓試驗。
4結語
采用便攜式10kV/100kV小容量試驗變壓器,配高壓電抗器作并聯補償,設備輕巧,攜帶方便,能完成表1提供的常見電力變壓器的交流耐壓試驗。若220kV及以下變壓器,試驗電壓和對應的允許試品最大電容量符合表3要求,都能用該套試驗裝置完成交流耐壓試驗。